TMC12

Aluminum Molten Thermocouple (L-Shape)

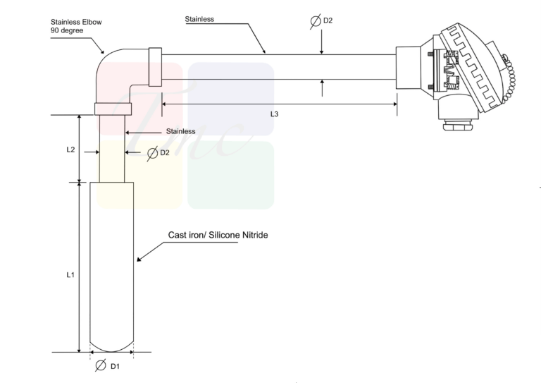
**ลูกค้าสามารถระบุขนาดได้**

  • Sensor Type (ชนิดเซนเซอร์) :
    – Thermocouple (Type K, J, N, T, E)

  • Probe (แท่งวัด) :
    – Diameter (ขนาดความโต) : เช่น 1.0, 3.0, 6.0, 8.0, 10.0 mm. เป็นต้น
    – Material : Cast iron, Silicone Nitride

  • Head (หัวกะโหลก) : เช่น (Big/small) Aluminuim, Bakelite head เป็นต้น

ติดต่อสอบถาม

ติดต่อเพิ่มเติม:  โทร 092-278-5750 (K’Gun)